So I have a 1983 Mercury 50 HP 4 cylinder outboard, but I have just about decided that I really want an outboard with BIA transom bolt pattern and power tilt and trim that mounts between the BIA transom mounts to be fully compatible with a hydraulic jack plate I have. Next I found a guy with a 1993 40 HP 4 Cylinder with no compression in one cylinder.
What I want to know if there is some reasonable way to combine my working 83 power head unit with the BIA transom mount and power trim unit from the 93. So I am wondering if I could:
1. Transfer my good 1983 power head unit to the 1993 Outboard
2. Transfer the whole midsection/lower unit from the 1993 to the 1983 (that might just be saying the same thing a different way)
3. Transfer the swivel and/or BIA mounts and tilt trim cylinders from the 1993 to the 1983 Motor.
4. Some other way?
Are any of those options reasonable? Which is easier or better?
Or should I just--
5. Sell everything and buy a good Mercury 50/45/40 with the BIA pattern transom mount and power trim I want.
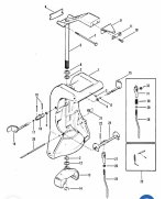
Picts below of my good 1983 50 HP head unit, the bad 1993 40 HP, and the BIA power tilt trim I want on whatever motor I use.



What I want to know if there is some reasonable way to combine my working 83 power head unit with the BIA transom mount and power trim unit from the 93. So I am wondering if I could:
1. Transfer my good 1983 power head unit to the 1993 Outboard
2. Transfer the whole midsection/lower unit from the 1993 to the 1983 (that might just be saying the same thing a different way)
3. Transfer the swivel and/or BIA mounts and tilt trim cylinders from the 1993 to the 1983 Motor.
4. Some other way?
Are any of those options reasonable? Which is easier or better?
Or should I just--
5. Sell everything and buy a good Mercury 50/45/40 with the BIA pattern transom mount and power trim I want.
Picts below of my good 1983 50 HP head unit, the bad 1993 40 HP, and the BIA power tilt trim I want on whatever motor I use.






