1990 Force 90hp - exhaust air in Motor compartment

Capri90

Cadet
Joined
May 2, 2011
Messages
6
Hi.

First off, I am sorry for my english it is not my first language.:redface:

I bought a 90' Bayliner capri with this 90hp Force motor.

Right from the beginning I had trouble with it.
First the head gasket was leaking - fixed
Then the choke didn't work - fixed

after that it ran like a champ with the ear muffs on.
then we launched the boat for a watertest and the motor stalled after running for a couple minutes. As I took the cap of to see why, the motor compartment was full of exhaust air. My problem is I can't see where it is comming from. And it doesn't happen with the muffs on.
Maybe anyone knows where.

I couldn't find anything in the search.




Thanks
Bobby
 

jerryjerry05

Supreme Mariner
Joined
May 7, 2008
Messages
18,196
Re: 1990 Force 90hp - exhaust air in Motor compartment

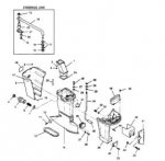
Run it in the water and check where the exhaust is comming from.Could be as simple as a rubber hose or as expensive as a base gasket.
#5 or #24 or under the powerhead.
 

Attachments

  • 33.jpg
    33.jpg
    10.8 KB · Views: 0

Capri90

Cadet
Joined
May 2, 2011
Messages
6
Re: 1990 Force 90hp - exhaust air in Motor compartment

Thanks for the quick reply.

I had the boat in the water again and it is bubbling at the front of the motor, so It can't be #5 i guess.

it could well be #24, do I have to take the powerhead off to get to it?

I could answer all upholstery questions, but i'm absolutely unexperienced in motors.

Thanks a bunch

Bobby
 
Top