HVAC Heat Kit Installation Electrical Question

harringtondav

Commander
Joined
May 26, 2018
Messages
2,520
I'll be doing a DIY installation of a new heat pump w/heat kit back up at our river house.
I've sized the heat kit based on the worst case sub-zero Iowa winters. But I'm concerned under average winter conditions the system will over deliver heat in short interval blasts. With gas fired furnaces, over sizing the burner/HX can result in lower efficiencies since the room thermostat shuts down the burners before the HX, plenum and ductwork have risen to optimum temperature. ...better to be in heat cycle for a longer interval vs. short blasts.
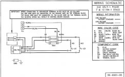
I'm concerned about the same with the electric back up heat. The heater wiring diagram below shows the two heating elements separately connected to L1 and L2: 120 volts each. So I'm considering putting an external switch in one element's line, and operating at 1/2 kW capacity until I need it all, when I'll close the switch for full heat.
The only downside I see is putting my main service legs out of balance a bit. ...I guess that can stress the power company's pole transformer.
I'd appreciate any input or pitfalls I've overlooked.
 

Attachments

  • Heat kit wiring.JPG
    Heat kit wiring.JPG
    95.4 KB · Views: 7

dwco5051

Commander
Joined
Sep 14, 2008
Messages
2,544
I'll be doing a DIY installation of a new heat pump w/heat kit back up at our river house.
I've sized the heat kit based on the worst case sub-zero Iowa winters. But I'm concerned under average winter conditions the system will over deliver heat in short interval blasts. With gas fired furnaces, over sizing the burner/HX can result in lower efficiencies since the room thermostat shuts down the burners before the HX, plenum and ductwork have risen to optimum temperature. ...better to be in heat cycle for a longer interval vs. short blasts.
I'm concerned about the same with the electric back up heat. The heater wiring diagram below shows the two heating elements separately connected to L1 and L2: 120 volts each. So I'm considering putting an external switch in one element's line, and operating at 1/2 kW capacity until I need it all, when I'll close the switch for full heat.
The only downside I see is putting my main service legs out of balance a bit. ...I guess that can stress the power company's pole transformer.
I'd appreciate any input or pitfalls I've overlooked.
No problem, the auxiliary heat coils are 240 volt elements and would cause no unbalance even if only one is running. I have geothermal in my home (Heat Pump) and installed a switch for each zone to disable the coils by breaking a control leg to the relay for the coils. Unless we are not going to be home for a a day or so on the coldest days they are always off. Normally if the unit cannot supply enough warmth we just throw another log on the fire.DSC04934.JPG
 

alldodge

Moderator
Staff member
Joined
Mar 8, 2009
Messages
43,892
The coils should only come ON during a defrost cycle (Unless EMHeat) and only when its really cold. The short time they come ON should not even notice much

Thing its the white thermostat wire that calls for the coils, an could also switch it

The two new ones installed they used the 3 element heater instead of 2 because the cost was the same. They are wired to only use 2 elements and the 3rd is a spare in case one burns out in the future
 

harringtondav

Commander
Joined
May 26, 2018
Messages
2,520
No problem, the auxiliary heat coils are 240 volt elements and would cause no unbalance even if only one is running. I have geothermal in my home (Heat Pump) and installed a switch for each zone to disable the coils by breaking a control leg to the relay for the coils. Unless we are not going to be home for a a day or so on the coldest days they are always off. Normally if the unit cannot supply enough warmth we just throw another log on the fire.View attachment 330802
"No problem, the auxiliary heat coils are 240 volt elements and would cause no unbalance even if only one is running."

Yes they are, thanks, I just reviewed the wiring diagram.

This is good since our REC gives me a 60% discount on electric heat Oct-June. ....cooling load also counts if I use it in that period. They installed a C coil interrupter that will measure current from the heat/heat pump circuits. ...after I posted, and thought I would be using only 120V, I thought I would loose the discount since L1&L2 must pass thru the coil. ....happy again. Right now I running 3.9 max kW of baseboard resistance heat at a nice discount, but this isn't enough for very cold conditions.

Another benefit of being able to use just one element is our generator will be able to handle the load in the case of a power outage and still have enough capacity to keep the beer fridge, TV and a few lights running. ....priorities.
 

bigdee

Commander
Joined
Jul 27, 2006
Messages
2,667
Just stage the strip heaters by installing outdoor thermostat/thermostats. I have mine set to operate below 35 degrees. You still want it to come on during the defrost cycle to prevent super cold air coming out the registers. When the outside temperature is moderate OD thermostats disables the electric heat strips if you dial up the indoor thermostat 2 degrees above room temperature. This is good when you have a household member who likes to monkey with the thermostat.
 

harringtondav

Commander
Joined
May 26, 2018
Messages
2,520
Just stage the strip heaters by installing outdoor thermostat/thermostats. I have mine set to operate below 35 degrees. You still want it to come on during the defrost cycle to prevent super cold air coming out the registers. When the outside temperature is moderate OD thermostats disables the electric heat strips if you dial up the indoor thermostat 2 degrees above room temperature. This is good when you have a household member who likes to monkey with the thermostat.
Thanks. I'm trying to find a low temp thermostat so I can keep the place and water pipes from freezing when we aren't there in the winter. ....I've drained the system for the last nine yrs. ....that is getting old, like me.

My plan is to set this up as a stand-alone low temp thermostat in the basement. Then turn the main living area thermostat to "off" and let the other thermostat call for heat strip heat to keep the place around 38-40 degrees.

I plan on installing a WiFi 'C' wire main thermostat so I can monitor the river house's temp when we are away. .....1 hr 50 min trip to fire up the generator if there is a power outage.

Still trying to determine if my split system will have a defrost function. I haven't bought it yet. What do you think? Are defrost cycles std on air sourced heat pumps? https://www.nationalairwarehouse.co...0a-variable-speed-heat-pump-split-system.html
 

alldodge

Moderator
Staff member
Joined
Mar 8, 2009
Messages
43,892
Have had many brands including Trane, Colman and I stay away from Janitrol and Rheem. Installed Amana 3 years ago in home and 2 years ago in vacation rental with wifi thermostat. Chose Amana because they have a 99 year compressor warranty and my buddy is Union HVAC installer and what he recommends.
 

harringtondav

Commander
Joined
May 26, 2018
Messages
2,520
Have had many brands including Trane, Colman and I stay away from Janitrol and Rheem. Installed Amana 3 years ago in home and 2 years ago in vacation rental with wifi thermostat. Chose Amana because they have a 99 year compressor warranty and my buddy is Union HVAC installer and what he recommends.
We had Rheem gas furnace/central air in our main house for 29 yrs. ...no real problems, but I had to replace the occasional temp limit or air/vac sensor. It was working fine, but getting old, and critical parts like HXs were unavailable.
So I replaced it with a modern, more efficient Rheem system. ....so far very good.
Ruud is rated high. The only difference is the Rheem has a different label.
Price point and generally good experience are keeping me in the fold.

Goodman looks like a cheap throwaway, so I stayed clear.
 

alldodge

Moderator
Staff member
Joined
Mar 8, 2009
Messages
43,892
Guess its all in the issues you run into. I'm on my 3rd AC unit at this house. The Janatrol lasted about 8 years, the Rheem as about 12 years. Hope the Amana last longer. Amana was made by Goodman and is currently made by Daikin
 

harringtondav

Commander
Joined
May 26, 2018
Messages
2,520
Guess its all in the issues you run into. I'm on my 3rd AC unit at this house. The Janatrol lasted about 8 years, the Rheem as about 12 years. Hope the Amana last longer. Amana was made by Goodman and is currently made by Daikin
I believe I remember you live in the mid-South. TN? So more hours and stress on the condenser unit than up here in IA. ....late July and early Aug keeps it running hard. Otherwise not much. So my luck may just be less use.

New installation is 100 miles east in Dubuque IA. Same duty cycle on the cooling side. My elect. heat strip will be around $90. Less expensive and easier to replace than a gas HX.

...odds are the system will outlast me. ....good luck children.
 

PITBoat

Petty Officer 1st Class
Joined
Jul 26, 2018
Messages
286
It looks like you've got a limit switch associated with each element, so it may not be a concern, but since that electric heater is designed as a single stage setup, you are getting outside of how it was intended to operate (i.e., how it was tested for safety issues at the manufacturer, depending on how far above and beyond minimum required testing they went).

That would be more of an issue with a type that has control voltage limits that take the whole thing out, instead of in banks like multiple line voltage limits do; so that a limit selected to work with all of it running may not work as well or at all with only part of it energized.

On the efficiency question, EH is considered to be essentially 100% efficient I believe, so other than any incidentals like fan startup power draw, etc., that shouldn't be a factor.
 
Last edited:

harringtondav

Commander
Joined
May 26, 2018
Messages
2,520
It looks like you've got a limit switch associated with each element, so it may not be a concern, but since that electric heater is designed as a single stage setup, you are getting outside of how it was designed to operate (i.e., how it was tested for safety issues at the manufacturer, depending on how far above and beyond minimum required testing they did).

That would be more of an issue with a type that has control voltage limits that take the whole thing out, instead of in banks like multiple line voltage limits. So that a limit selected to work with all of it running may not work as well or at all with only part of it energized.
Thanks. I plan on contacting Rheem soon. They make a variety of heat kits for this air handler. I'm hoping they have one in my amp/kW range that would work with a two stage thermostat set in heating mode. If so my goal would be automagically solved.
 
Top