wendellbee
Seaman Apprentice
- Joined
- Sep 3, 2014
- Messages
- 40
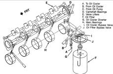
i have an inboard merc 7.4 gen vi (it is a 2000, but I cannot find serial numbers on either engine). I had the starboard engine cylinder heads redone after a few stuck valves, from water in the oil. upon installing the new heads with all new gaskets and bolts, i am not getting any oil to the starboard cylinder head. the port cylinder head was getting oil, and the gauge is reading 60 psi which is normal for cold startup. i had help putting everything back together since the heads are heavy. I placed the new gaskets in the same orientation as the old gaskets. the only difference is the new gaskets are .039" compressed thickness and the old gaskets were .022" (performance gaskets) compressed thickness. Is there anything I need to look for that would cause this issue?


