wdirnbeck
Seaman Apprentice
- Joined
- Jun 5, 2022
- Messages
- 42
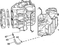
Evening everyone! I’m a newbie here trying to wrap my head around this old outboard that came on the back of my glaspar. I tore apart the carburetor recently and ultrasonic cleaned everything. I’m getting the carb and fuel filter back on as well as replacing all the hoses but have now realized I have no clue what half these hoses do and where they go. I took pictures before I took the carb off but the denizen mice that have been dwelling in this outboard for the past 40 something years ate up a lot of the hoses. I think I’m getting everything back together properly but I can’t find where the hose that goes to the fuel pump diaphragm inlet thingy is supposed to route from. There are 3 nipples on this engine that I can’t find where their respective hoses are supposed to go and I can’t tell if they are breathers or are meant to actuate this pump. If it isn’t clear from this post already, I’m kind of lost and only slightly know my way around auto engines so if anyone could provide guidance or education, I would greatly appreciate it! Attached are pictures of the mystery nipples (lol)
Starflite 3 V4, unsure of hp
Starflite 3 V4, unsure of hp
