Steering shaft removal

Doug hicks

Seaman Apprentice
Joined
Aug 27, 2015
Messages
30
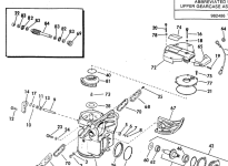
Hi there to all , I have a 1982 cobia sportster I'm trying to pull steering shaft out of intermediate housing. I have pulled the bolt from the inside and got it to come out about 11/2" and It will not budge any more. This is an omc electric shift 120 Duke. Thanks for the help in advance.
 

Attachments

  • 1693343326784116498859245168579.jpg
    1693343326784116498859245168579.jpg
    1.4 MB · Views: 6
  • 16933433711496287335480529414639.jpg
    16933433711496287335480529414639.jpg
    1.2 MB · Views: 6
  • 16933434851181874267885275729521.jpg
    16933434851181874267885275729521.jpg
    1.1 MB · Views: 6

kenny nunez

Captain
Joined
Jun 20, 2017
Messages
3,497
There is a slotted head screw on the drum that the cable wraps around.
if that is out then you just have to keep rotating it back and forth while pulling/prying and it will come out. There is a plastic bushing in the housing that corrosion builds up under which causes the shaft to bind.
 

Doug hicks

Seaman Apprentice
Joined
Aug 27, 2015
Messages
30
There is a slotted head screw on the drum that the cable wraps around.
if that is out then you just have to keep rotating it back and forth while pulling/prying and it will come out. There is a plastic bushing in the housing that corrosion builds up under which causes the shaft to bind.
Yea thanks for the reply I have been twisting and prying for two days lol farthest it's came is about 11/2" and just stopped and nothing since. Would it hurt to use a slide hammer?
 

kenny nunez

Captain
Joined
Jun 20, 2017
Messages
3,497
If you use a slide hammer be careful not to shear off the snap ring groove.
First try using a crow bar to get behind the gear and also driving it in and pulling prying it out.
I can feel your pain, I have had my share of those binding steering shafts.
 

Scott Danforth

Grumpy Vintage Moderator still playing with boats
Staff member
Joined
Jul 23, 2011
Messages
52,322
A 1982 should be full mechanical shift. Electric shift went away in 1977

The iron duke is a 151 cubic inch Pontiac motor. Shares nothing but valve cover bolts with the Chevrolet 153 cubic inch used in boats
 

Doug hicks

Seaman Apprentice
Joined
Aug 27, 2015
Messages
30
If you use a slide hammer be careful not to shear off the snap ring groove.
First try using a crow bar to get behind the gear and also driving it in and pulling prying it out.
I can feel your pain, I have had my share of those binding steering shafts.
Ok thanks for info will let you know the outcome
 

Doug hicks

Seaman Apprentice
Joined
Aug 27, 2015
Messages
30
Ok thanks for info will let you know the outcome
It's is electric shift I have the outdrive off and have owned them before. But I still have had no luck if I split the motor and housing can I knock it out from inside the housing?
 

Doug hicks

Seaman Apprentice
Joined
Aug 27, 2015
Messages
30
It's is electric shift I have the outdrive off and have owned them before. But I still have had no luck if I split the motor and housing can I knock it out from inside the housing?
 

Attachments

  • 16934869083947612827903085759883.jpg
    16934869083947612827903085759883.jpg
    1.6 MB · Views: 6

Scott Danforth

Grumpy Vintage Moderator still playing with boats
Staff member
Joined
Jul 23, 2011
Messages
52,322
Sure looks like a mechanical shift. That shift cable is over $1000. And it looks like it has a kink
 

kenny nunez

Captain
Joined
Jun 20, 2017
Messages
3,497
That would not work. Is it possible to rotate the shaft by using a pair of channel lock pliers on the gear?
 

Doug hicks

Seaman Apprentice
Joined
Aug 27, 2015
Messages
30
That would not work. Is it possible to rotate the shaft by using a pair of channel lock pliers on the gear?
Yea I can turn it , it still turns the steering wheel so I'm guessing it's still in the splines . But I have turned and prayed so much it's not budging
 

kenny nunez

Captain
Joined
Jun 20, 2017
Messages
3,497
You said that the slotted head 1/4” 20 screw is out of the drum. The only thing that might be the problem is a burr of aluminum has wedged itself in the shaft. Have someone or try to lock the steering wheel then rotate the shaft with the channel lock pliers which should shear off whatever is causing the problem.
There are no splines, only the screw that secures the drum to the shaft.
 

Doug hicks

Seaman Apprentice
Joined
Aug 27, 2015
Messages
30
You said that the slotted head 1/4” 20 screw is out of the drum. The only thing that might be the problem is a burr of aluminum has wedged itself in the shaft. Have someone or try to lock the steering wheel then rotate the shaft with the channel lock pliers which should shear off whatever is causing the problem.
There are no splines, only the screw that secures the drum to the shaft.
O ok thought their was splines I'll give that a shot hopefully it works . Thanks for info I'll keep you posted.
 

Doug hicks

Seaman Apprentice
Joined
Aug 27, 2015
Messages
30
You said that the slotted head 1/4” 20 screw is out of the drum. The only thing that might be the problem is a burr of aluminum has wedged itself in the shaft. Have someone or try to lock the steering wheel then rotate the shaft with the channel lock pliers which should shear off whatever is causing the problem.
There are no splines, only the screw that secures the drum to the shaft.
Well now the outcome I blocked the steering and turned the shaft and it like shredded the cable just outside of the drum I don't know what's next. I think maybe just try and sell motor and outdrive and take boat to landfill lol.
 
Top