Well if it's like that then leave it. My memory of one I had for a short time on a tri hull was that it was impossible to see over the transom. You physically had to stand up and walk back there to see. But it had a tall transom and was a big boat. If you can see water pumping from the driver's seat that's good enough for me. Man that was a nice boat tho, 62 I think all original in nice shape. Sad I flipped it. But I guess that was the plan from the moment I dragged it out of the barn.When the t.stat opens, it's not hard to see the overflow out of the leg. I remember testing a new impeller on a similar motor, and the water shot out about 6 feet. It's not subtle.
Greetings.You will find the shift rod o-ring when you take the case apart !
You are supposed to use a special tool to remove the bearing. That damages the bearing and it must be replaced. Trade secret, no special tool? Chuck the housing in a lathe and bore it out enough to push the seal and bearing out.Greeting.
I made it back from a lake trial, and the Speedifour didn’t disappoint! I’m taking the lower unit apart now. Looking for help with removing these seals without damaging the housing?
Thank you all for the great advice so far!
Stu.
That’s the problem…. it’s letting water in, and making a milkshake. Don’t suppose using a oil additive (Lucas stop leak) would swell the seal enough to stop the leak? The complete assembly is available $175 if I remember correctly. Comes with bearing and seal. Your thoughts?You are supposed to use a special tool to remove the bearing. That damages the bearing and it must be replaced. Trade secret, no special tool? Chuck the housing in a lathe and bore it out enough to push the seal and bearing out.
Or, if it ain't leaking, leave well enough alone.
Greetings. RaceronePoints are set at 0.20"-------Is this thing electric shift ?----Model # and pictures required.----Install a new water pump impeller.----Test the hot light.------outboardbooks.com ------might have a manual for you.
Agreed these motors are elegantly simple.----Did all the work on them when I was 19 years old at a dealer !!-----These do not require $100+ / hr dealer support !
I have no idea how this happened. It ran flawlessly for me the few times I took it out. Probably drove the boat 6 times throughout the repairs I did to get it running. He bought it from me at the end of the winter without test driving it.I hope neither of you were 'easing it into gear'. I would suspect worn Clutch Dog, and Gears.
I noticed that you have a 10 X 9 1/4" Prop on it.



What is the significance of the prop it has on it?I hope neither of you were 'easing it into gear'. I would suspect worn Clutch Dog, and Gears.
I noticed that you have a 10 X 9 1/4" Prop on it.
Can you circle the parts in question on the diagram for me so I know what I’m looking for? Also would there be evidence in the gear oil if damage to said parts?What is the significance of the prop it has on it?
Thanks.
That is the prop we used to run on our old 90. It is a Small hub prop, instead of the larger hub props that were the other choicesWhat is the significance of the prop it has on it?
Thanks.
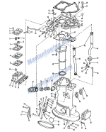
Top pic #s 23, 46, 50, 42Can you circle the parts in question on the diagram for me so I know what I’m looking for? Also would there be evidence in the gear oil if damage to said parts?
I know the I/Os with that case, had an option of a 14" pitch, something that didn't show up on the Outboard Lists. Our 90 on the Evinrude Sweet 16 did 4400 with the 11" prop, and 4800 with the 9 1/4"I believe that prop was developed for the OMC 17 with the 88 HP V-4 I/O ( 2 stroke).-----Needed to get a heavy load on plane.----Also used on outboards when there are power issues.
GentlemenI know the I/Os with that case, had an option of a 14" pitch, something that didn't show up on the Outboard Lists. Our 90 on the Evinrude Sweet 16 did 4400 with the 11" prop, and 4800 with the 9 1/4"