1979 Champion Bass Boat - Tear Down and Restoration -- with PICS

Woodonglass

Supreme Mariner
Joined
Dec 29, 2009
Messages
25,932
Re: 1979 Champion Bass Boat - Tear Down and Restoration -- with PICS

Sorry to hear about your physical ills!!! Hope you are well on your way to a full recovery. Since our last stringer debate, I've done lots of further research and study. Since you will be filling the hull totally with foam I believe your stringer design and methods will be more than adequate to support the hull and be a safe and sound boat. Sorry again for any issues my persistence might have caused. I'm just a stickler for safety. I now realize that in some cases these older boats were designed on paper napkins by two good old boys hangin out at Denny's on a Late Saturday night after having a few to many beers!!!!! Not so much engineering as there was "Hey that oughta work just fine!!!!!"
 

DHag

Petty Officer 2nd Class
Joined
May 29, 2007
Messages
166
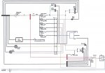
Wiring

Wiring

I thought I had taken some "before" pics of the wiring, but I can't find them. If I find them, I'll post them.

At this point, just let me say that the wiring in this boat was a nest of snakes. Dozens of wires that went nowhere. I figure it was years of accessories being installed and removed.

I cut out the wires that went nowhere, and literally removed over half the wiring.

Before I went too far, I drew up a wiring diagram. It's not as well laid out as you would find in a book, but it's all I need to get everything wired up.

The approach I am taking is to run a single hot wire and single ground wire to buss connectors in the bow and in the stern. Then each accessory or light can pull its power from those busses (where possible). Originally, every circuit had two wires for power, plus control. By using (+) and (-) busses, I am able to reduce the number of wires by almost another half. I just have to use another step larger wires for the hot and ground wires.

C1 and C2 in the diagram are gang connectors. C1 is the motor harness. C2 the boat harness.

Wiring.jpg

Here's what I am wiring up:

6 deck lights. 2 for each fishing platform. 1 for the lower midsection, and 1 under the driver's console. I found some affordable exterior LED lights for these at our local Wal-Mart, believe it or not. Two switches for these lights. One at the bow, and one on the console.

Bow and stern running lights. One switch on the console.

My bilge pump has two operating modes, automatic and manual. Two switches on the console.

The live wells aerator pump, two switches. One on the console and one at the bow.

Motor tilt. One switch at the bow, and one built in to the motor controller.

I've never needed one (yet), but I'm putting in a 12-volt power outlet at the bow.

One power switch on the console for the two Humminbirds, a water temp gauge, etc.

If you look at the digram I posted, you'll see that I have it designed for all accessory, light, and tilt power coming from one of the two deep-cycle batteries. The two batteries are connected in serial for 24 volts to the trolling motor. The Mercury's starting motor does nothing else. It just starts the motor. I have been doing this because of how I fish most of the time. I put the boat in, run 3 or 4 miles, then shut down. Tilt the motor up, and run electric for 3 or 4 hours. Then I drop the motor, run 5 or 6 miles, and repeat the process. Basically, there is no way that my starting battery can be fully recharged before I shut the motor down. Near the end of a day, I end up jumping the starter from one of the deep cycles. By running all my accessories off of the deep cycles, and using the starting battery only for starting, that problem was solved.

Trouble is, that's not the way you're supposed to do it.

BUT, I just discovered a new (to me) "Dual Purpose" battery on the market that is both a starting and deep-cycle battery. Supposedly this type of battery is able to run the fish finders and lights and accessories all day long, and still start the motor. So my plan is to wire the 2 deep-cycle batteries exclusively to my 24-volt electric motor, and everything else off of the "dual purpose" starting battery. I can always go back to my old "bad" way if necessary.
 

DHag

Petty Officer 2nd Class
Joined
May 29, 2007
Messages
166
Re: 1979 Champion Bass Boat - Tear Down and Restoration -- with PICS

Sorry to hear about your physical ills!!! Hope you are well on your way to a full recovery. Since our last stringer debate, I've done lots of further research and study. Since you will be filling the hull totally with foam I believe your stringer design and methods will be more than adequate to support the hull and be a safe and sound boat. Sorry again for any issues my persistence might have caused. I'm just a stickler for safety. I now realize that in some cases these older boats were designed on paper napkins by two good old boys hangin out at Denny's on a Late Saturday night after having a few to many beers!!!!! Not so much engineering as there was "Hey that oughta work just fine!!!!!"
Thanks a bunch!

Something else I forgot to mention. Yeah, I'm filling the area beneath the deck 100% with foam filler. Also gonna box in either side of the transom with foam fill, plus areas under the gunwales, full length. I've done the math, then added about 15%. If this boat were to become fully swamped, it will still float level as a safety raft.

If I do the wiring and plumbing right, it should also be possible to have it fully floating again in about 30 minutes if it were fully swamped and right-side-up.

But the last thing I never mentioned is that I did comparison with other boat makes. These early-model Champions supposedly have a superior ranking for stability, stiffness, water control, etc. OK, fine. I'll up the flotation. But then I was doing more research, and found that today's new-model Triton boats are now considered superior in stability and stiffness. I found a picture from Triton of one of their bass boats without its top section. They were showing off their hull, stringer, and rib construction.

The only difference I could see between the original Champion design, and today's Triton design, is that the Champion originally had 3 ribs, and today's Tritons have 4 ribs.

So I did a little upgrade on my rib layout design. Everybody will see in a few weeks that I am laying in 4 ribs, like a new Triton.
 

Woodonglass

Supreme Mariner
Joined
Dec 29, 2009
Messages
25,932
Re: 1979 Champion Bass Boat - Tear Down and Restoration -- with PICS

You are correct. The old Champions were a superior built boat. Your additions will go a long way in making it even better as stated. With proper care and maintenance she'll be around for another 3-4 decades for sure. Get well and GET ER DUN!!!!!!!!:D
 
Top