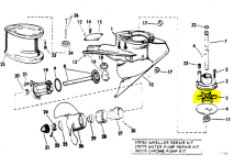
Location of impeller 1971 Johnson 4HP weedless outboard

SOG3

Petty Officer 3rd Class
Joined
Aug 24, 2015
Messages
78
Need to know the location before I tear into it !
 

racerone

Supreme Mariner
Joined
Dec 28, 2013
Messages
39,450
Sits on top of lower unit.---Just 4 screws to pull it off.----Rest is obvious.
 

Crosbyman

Admiral
Joined
Nov 5, 2006
Messages
6,051
drop the GC
remove pump cover

replace impleller ...bit of sop or greas to slide it in the pump housing turning clockwise looking down

take care not to pull out the drive shaft !! ... slide the pump cover up & past the o ring on top reverse procedure to install replace oring

install small impeller key !!
 
Top