Water Pump Question - Alpha 1 w/Closed Cooling

76SeaRay

Lieutenant Junior Grade
Joined
Aug 24, 2017
Messages
1,071
I saw a note in another thread that mentioned something about the Alpha 1 Gen 1 water pump does not provide enough flow for use with a closed cooling system. I have a brand new closed cooling system setup and brand new dry joint manifolds for my 5.7L Vortec. Is it true that the Alpha 1 pump will not be enough? If that is true then do I need to run a Seawater Pump as the answer to the problem?

Thanks....
 

achris

More fish than mountain goat
Joined
May 19, 2004
Messages
27,468
I saw a note in another thread that mentioned something about the Alpha 1 Gen 1 water pump does not provide enough flow for use with a closed cooling system. I have a brand new closed cooling system setup and brand new dry joint manifolds for my 5.7L Vortec. Is it true that the Alpha 1 pump will not be enough? If that is true then do I need to run a Seawater Pump as the answer to the problem?

Thanks....
Yes. Seawater pump is engine driven (via a v-belt) and will pump at least double the volume of water that the drive pump can.
 

Scott Danforth

Grumpy Vintage Moderator still playing with boats
Staff member
Joined
Jul 23, 2011
Messages
52,301
the alpha 1 pump will work with some half systems, however not full systems.

who's kit are you running?
 

76SeaRay

Lieutenant Junior Grade
Joined
Aug 24, 2017
Messages
1,071
I have a new Monitor MON-MFH-5399 standard full closed system. I want to make sure about the flow rates before I do a first start on this engine on the engine stand. The install instructions do not show connection to a sea water pump so I was surprised when I saw the thread.
 

Scott Danforth

Grumpy Vintage Moderator still playing with boats
Staff member
Joined
Jul 23, 2011
Messages
52,301
wont need much flow on the engine stand.
 

76SeaRay

Lieutenant Junior Grade
Joined
Aug 24, 2017
Messages
1,071
Ouch, those sea water pumps are expensive. I have this Mercruiser part number from a parts diagram, 72774A32 for a 1996 GM 5.7L. I have the V Belt system with the PS Pump high on the Port side and Alternator low on the Port Side. I have a manual fuel pump and fuel filter in the normal 5.7L location, low on the starboard side.

Some places call the 72774A32 out as a Bravo pump and others say the 72774A32 is for an Alpha and the 72774A50 for the Bravo. Are the Alpha One Gen One and Bravo pumps the same?

I see some sea water pumps that have a fuel pump port. Are those used on only the 7.4L and not on the 5.7L?

Can a used pump be successfully rebuilt?
 

Scott Danforth

Grumpy Vintage Moderator still playing with boats
Staff member
Joined
Jul 23, 2011
Messages
52,301
Ouch, those sea water pumps are expensive. I have this Mercruiser part number from a parts diagram, 72774A32 for a 1996 GM 5.7L. I have the V Belt system with the PS Pump high on the Port side and Alternator low on the Port Side. I have a manual fuel pump and fuel filter in the normal 5.7L location, low on the starboard side.

Some places call the 72774A32 out as a Bravo pump and others say the 72774A32 is for an Alpha and the 72774A50 for the Bravo. Are the Alpha One Gen One and Bravo pumps the same?

I see some sea water pumps that have a fuel pump port. Are those used on only the 7.4L and not on the 5.7L?

Can a used pump be successfully rebuilt?
stop looking at the OEM's with their markup.

pump. https://marinepumpdirect.com/johnso...-24930-01-10-24915-01-10-24232-01-and-others/

anti-rotation bracket https://marinepartssource.com/brack...RcC61DBEROP-ueWl_jpCTMiYiY0feqYhoCe4gQAvD_BwE
 

76SeaRay

Lieutenant Junior Grade
Joined
Aug 24, 2017
Messages
1,071
No matter what pump I use, is it possible to put a Y in the intake line and plumb the outdrive pump outlet into the intake of the sea water pump? I understand that you have to remove the Alpha pump if you use the lower unit intake for a sea water pump, is that correct?

Also, I hate to drill a hole in the bottom of the hull for the sea water pump intake. Do the transom mount intakes work and is there one that is recommended?

Thanks....
 

kenny nunez

Captain
Joined
Jun 20, 2017
Messages
3,497
I set up my Donzi with the belt driven pump and through hull style connected the drive pump with a “Y” pipe and a sea lever ball valve. That way the drive stays cool and using a ear muff flush out, it is easy to run the engine on the trailer. I have seen transom mounted pick ups and I believe they are Mercruiser items. The down side of that style is a extra “rooster comb” behind the boat.
 

Scott06

Admiral
Joined
Apr 20, 2014
Messages
7,366
Was your 5.7 previously run in raw water for cooling?or is it a new long block
 

76SeaRay

Lieutenant Junior Grade
Joined
Aug 24, 2017
Messages
1,071
Kenny, what's the purpose of the ball valve?

Scott, I built the equivalent of a Mercruiser from a Truck block so it has never had raw water.
 

Scott06

Admiral
Joined
Apr 20, 2014
Messages
7,366
Kenny, what's the purpose of the ball valve?

Scott, I built the equivalent of a Mercruiser from a Truck block so it has never had raw water.
Ball valve closes off the opening in the Y so you can flush it from the drive with fresh water or run it on muffs on the trailer , otherwise water pumped up from drive impeller will just push out of the water intake port.

if the block never saw raw water you are good with closed cooling, otherwise corrosion will likely plug your heat exchanger
 

76SeaRay

Lieutenant Junior Grade
Joined
Aug 24, 2017
Messages
1,071
Anybody have a drawing of how to hook up the sea water pump and the Alpha pump?

Well, I found a standard DJ brand sea water pump for $150 but it doesn't appear that brackets are available. Looks like I have to change direction and go with the crank mount approach. Scott, does that pump you gave the link on bolt right up to the GM 5.7L? My crank pulley has the bolts recessed a bit (90081A1) so not sure how you would bolt the pump to it.
 

tank1949

Lieutenant Commander
Joined
Apr 4, 2013
Messages
1,924
If motor has been used extensively in saltwater, I have been told that internal rust may cause an issue with clogging heat exchangers. I have 2 crank pumps on Bravos. They work great, so far. But, I suspect that for Alphas, you'd have to replumb water input.
 

76SeaRay

Lieutenant Junior Grade
Joined
Aug 24, 2017
Messages
1,071
I have been looking at the crank mount pump and saw something about possible interference of the hoses with the alternator which on mine is mounted low on the port side with the power steering pump mounted above it on the port side. It looks like the hose comes out of it towards the alternator and I don't know if the bracket lets you point the hoses to the starboard side.
 

tank1949

Lieutenant Commander
Joined
Apr 4, 2013
Messages
1,924
I have been looking at the crank mount pump and saw something about possible interference of the hoses with the alternator which on mine is mounted low on the port side with the power steering pump mounted above it on the port side. It looks like the hose comes out of it towards the alternator and I don't know if the bracket lets you point the hoses to the starboard side.
You will have to consider PS cooler as well....
 

76SeaRay

Lieutenant Junior Grade
Joined
Aug 24, 2017
Messages
1,071
The oil cooler and PS cooler both go on the Port Side so I don't see how with those two and the alternator that the crank pump can route on that side. So, I need to find out of the crank pump can be rotated to the side the Mercruiser sea water pump normally mounts.
 

76SeaRay

Lieutenant Junior Grade
Joined
Aug 24, 2017
Messages
1,071
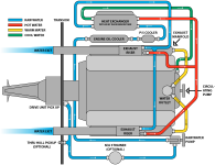
So, I just found this drawing that shows the seawater pickup and drive water hoses connected together with a T fitting. From what has been said, it is best to put a valve in the seawater pickup line before the "T" or the "Y" which ever is used to flush or run the engine on the trailer and to close the seawater intake when leaving the boat moored in the water. My heat exchanger will mount across the front. Anybody have a picture of the crank pump bracket mentioned above installed showing how it bolts on? If the bracket can go on the Port side, maybe the pump can be rotated so that the hoses run down the Starboard side as in the picture to avoid interference with the oil cooler and PS cooler.

Full Closed System Plumbing.png
 

kenny nunez

Captain
Joined
Jun 20, 2017
Messages
3,497
Call Marine Power 985 386 2081. They will be able to answer your question and should have what you need. Ask for Shawn, tell him I told you to call.
 

76SeaRay

Lieutenant Junior Grade
Joined
Aug 24, 2017
Messages
1,071
Great, thanks for the lead.. I will give them a call on Monday morning...
 
Top