Piece715
Senior Chief Petty Officer
- Joined
- Jan 26, 2009
- Messages
- 757
Re: Restoring 1986 Sea Nymph SS155 (pics)
Ok im in the process of buying wire. Going with 2 six gallon tanks the splashwell is filled. The 12 gallon tank would not fit in the splashwell. This situation has forced me to move the batteries to the bow seating one in front of each console. The question is what gauge wiring will work for this set up? I know people don't recommend this set up but i have no other choice and it will distribute weight well. The run im guess would be around 12 feet and that is prob an over estimation. I am not sure how many amps the starter draws either. The motor is a 50hp Evinrude model E50 BELCO. Now the set up includes a blue seas fuse block and a battery switch.
This is the run down of the wiring as im seeing it; Just need confirmation or ideas for better set up. The runs will be from battery to battery switch (2-3 foot run), from battery switch to fuse block (1-2 foot run), the direct run for the battery to motor is about 12 feet.
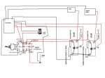
The cranking battery will be run in parallel to the deep cycle. The batteries will then be wired to the switch like so
.
All loads will be wired to the COM which will be the engine and the fuse block. Does the negative in the picture going from engine to bat 1 also do this in my set up and then a neg wire run from neg bat post to fuse block?? guess confused how to incorporate the fuse block and switch. The positive will go from COM on isolator switch to positive on fuse block with a master power toggle switch in line like so
. How would stereo work into this? Would i want to run it through the fuse block or just wire directly to batteries as the system requires inline fuses from batt to amp.
OK i think im confusing myself. SOMEONE please help :facepalm:
I know this was a large post. If ya need clarification on my thoughts please ask. Im needing recommendations, suggestions, diagrams, etc. I have saved all the stickies in the electrical section and know what gauge wire I need for everything except the long run of battery wire. Guess the other main question is a general run down of wiring all the components: dual batteries, an isolator switch, fuse block, and amplified sound system. Thus concludes my jumbled novel! thank u will be here all night
!
EDIT: Just had a moment of clarity. Im guessing the audio system would be wired to the COM port for positive with the ground running to the fuse block? The positive will still have an inline 50 amp fuse as recommended for the amp. This sound correct?
Ok im in the process of buying wire. Going with 2 six gallon tanks the splashwell is filled. The 12 gallon tank would not fit in the splashwell. This situation has forced me to move the batteries to the bow seating one in front of each console. The question is what gauge wiring will work for this set up? I know people don't recommend this set up but i have no other choice and it will distribute weight well. The run im guess would be around 12 feet and that is prob an over estimation. I am not sure how many amps the starter draws either. The motor is a 50hp Evinrude model E50 BELCO. Now the set up includes a blue seas fuse block and a battery switch.
This is the run down of the wiring as im seeing it; Just need confirmation or ideas for better set up. The runs will be from battery to battery switch (2-3 foot run), from battery switch to fuse block (1-2 foot run), the direct run for the battery to motor is about 12 feet.
The cranking battery will be run in parallel to the deep cycle. The batteries will then be wired to the switch like so
. All loads will be wired to the COM which will be the engine and the fuse block. Does the negative in the picture going from engine to bat 1 also do this in my set up and then a neg wire run from neg bat post to fuse block?? guess confused how to incorporate the fuse block and switch. The positive will go from COM on isolator switch to positive on fuse block with a master power toggle switch in line like so
. How would stereo work into this? Would i want to run it through the fuse block or just wire directly to batteries as the system requires inline fuses from batt to amp. OK i think im confusing myself. SOMEONE please help :facepalm:
I know this was a large post. If ya need clarification on my thoughts please ask. Im needing recommendations, suggestions, diagrams, etc. I have saved all the stickies in the electrical section and know what gauge wire I need for everything except the long run of battery wire. Guess the other main question is a general run down of wiring all the components: dual batteries, an isolator switch, fuse block, and amplified sound system. Thus concludes my jumbled novel! thank u will be here all night
EDIT: Just had a moment of clarity. Im guessing the audio system would be wired to the COM port for positive with the ground running to the fuse block? The positive will still have an inline 50 amp fuse as recommended for the amp. This sound correct?









